Le prestazioni fornite dallo studio Z.R. PROJECT nei diversi settori di attività, coprono tutti gli aspetti tecnici relativi alla realizzazione di un’opera: dagli studi di fattibilità tecnico economica, alla progettazione preliminare, definitiva ed esecutiva fino alla direzione lavori ed all'assistenza al collaudo.
A fronte di esigenze specifiche lo studio Z.R. PROJECT è in grado di condurre studi, indagini, ricerche e piani integrati attivando la cooperazione di tutti i settori.
|
Servizi Offerti:
|
![]() |
Negli ultimi anni, la Z.R. PROJECT si è specializzata per rispondere alle particolari esigenze del mondo dell’Oil & Gas e del settore Navale.
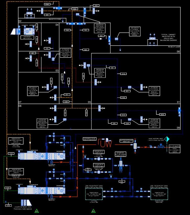
Gli impianti Fire & Gas ed HVAC sono per loro natura fortemente legati a molte altre discipline dell’ingegneria; è quindi indispensabile, in un contesto complesso ed articolato e fortemente settoriale come quello dell’Oil & Gas, una figura che sappia coniugare tra loro le varie discipline e che sia in grado di interloquire con tutte le realtà presenti in campo.
È proprio questo, che la Z.R. PROJECT è stata in grado di fornire ai propri clienti, affrontando ogni progetto con un approccio multidisciplinare e creando quindi una perfetta interazione tra tutte le aree tecniche coinvolte, questo ha permesso di realizzare progetti sia in impianti On-Shore che Off-Shore.
|
Servizi Offerti settore Oil & Gas:
|
|
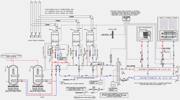
La progettazione termotecnica e antincendio si avvale di software altamente tecnologici e multidisciplinari quali Mc4 2014, Carrier, Edilclima, Primus, Autocad.





